BUILD A CUSTOM CUTTING TOOL

Design your custom tools specifically for your application

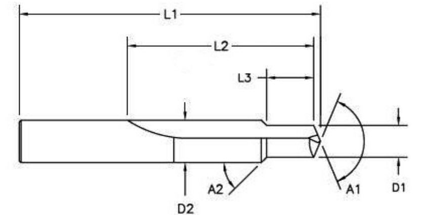
High Performance Drills

High Performance Drills are custom designed to meet the strenuous rigors of production CNC machining and manufacturing. High Performance Drills offer an unbeatable tooling life, can be operated at extremely high speeds, and provide a precise, clean cut and finish with every cut. There is no better tooling option for high-intensity, high-turnaround drilling jobs. With a custom cutting tool designed by Valley Tool Inc., you can rest assured that every hole drilled into your work piece is wholly uniform and meets the exact standards your project requires. Enter your measurements and materials below to start designing your custom cutting tool today.

Also see Drills, Step Drills, Straight Flute Drill (2 flutes) and Straight Flute Step Drill (2 flutes)

If you are not sure of a dimension or it is not critical, leave it blank and we will quote the standard.

Contact us

See What Valley Tool is up to in Our Newsletter

    Office Hours

    Monday – Thursday:
    7:30 AM – 4:30 PM

    Friday:
    7:30 AM – 3:30 PM